db真人旗舰,db真人旗舰官方网站,db真人旗舰官方平台,db真人官网

民主机械 产品中心

PRODUCT CENTER

产品中心

PRODUCT CENTER

首页>产品中心

地下阀门驱动装置

Underground valve drive device

产品简介

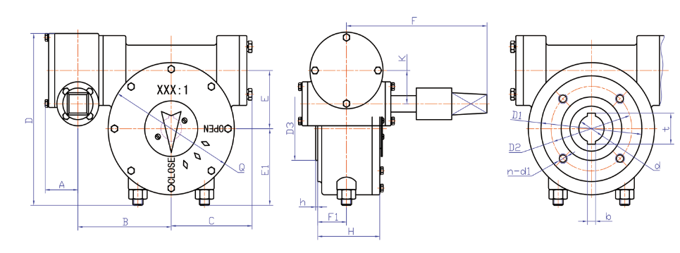
本产品采用蜗轮蜗杆传动副,体积小、重量轻、输出扭矩大、结构合理、操作方便,具有可靠的自锁性。适用于90°回转的蝶阀、球阀、旋塞阀、调节阀等阀[ ]在地下铺设管道时的控制。

This product worm gear-worm drive set is used.The product is characterized by small size,light weight,large output torque,rational structure,easy to operate and having reliably self- hold capacity. Suitable to control the 90° rotay buttefly valve,ball valve,cock valve,etc when in the underground conduit laying.

image.png

技术参数

型号/ Model

额定扭矩/Torque(N.m)

速比

Ratio

输入扭矩/Input(N.m)

重量/WT(kg)

备注/Remarks

3DD-15/17

170

203:1

9

17


3DD-15/75

750

245:1

30

21


3DD-15/120

1200

280:1

42

23


3DD-30/250

2500

384:1

43

41


3DD-30/300

3000

352:1

57

57


3DD-30/400

4000

416:1

64

65


3DD-60/800

8000

754:1

71

88



外形尺寸表

型号/ Model

A

B

C

D

E

K

H

F

F1

E1

Q

3DD-15/17

50

111

96

193

60

47

86

210

38

78

130

3DD-15/75

50

121

106

224

70.5

47

86

210

38

98

150

3DD-15/120

50

121

106

241

78

47

86

210

40

108

170

3DD-30/250

65

160

135

283

90

63

105

279

50

123

200

3DD-30/300

65

185

160

320

110

63

123

279

57

140

250

3DD-30/400

65

185

160

355

125

63

129

279

63

160

278

3DD-60/800

69

218

160

420

160

78

132

277

66

170

330

连接尺寸表

型号/ Model

适用蝶阀口径/Available Opening of butterfly valve

d

b

t

D3

h

D2

D1

n-d1

公制/ Metric system

英制/ British system

3DD-15/17

50-80

2-3

12.7

3

15.5

-

-

57.15

92

4-M6

100

4

15.9

5

20.5

-

-

69.85

92

4-M8

125-150

5-6

19.05

5

23.65

-

-

69.85

92

4-M8

3DD-15/75

200

8

22.2

5

26.8

-

-

88.9

125

4-M12

250

10

28.6

8

35.2

-

-

3DD-15/120

300

12

31.8

8

38.4

-

-

108

140

4-M12

350

14

31.8

8

38.4

-

-

3DD-30/250

400

16

33.3

10

39.9

-

-

158.75

200

4-M18

450

18

38.1

10

44.7

-

-

3DD-30/300

500

20

41.3

10

47.9

-

-

158.75

200

4-M18

3DD-30/400

600

24

50.8

16

59.4

-

-

215.9

278

4-M18

3DD-60/800

700

28

55

16

63.6

-

-

254

300

8-M16

800

32

-

-

首页>产品中心

地下阀门驱动装置

Underground valve drive device

产品简介

本产品采用蜗轮蜗杆传动副,体积小、重量轻、输出扭矩大、结构合理、操作方便,具有可靠的自锁性。适用于90°回转的蝶阀、球阀、旋塞阀、调节阀等阀[ ]在地下铺设管道时的控制。

This product worm gear-worm drive set is used.The product is characterized by small size,light weight,large output torque,rational structure,easy to operate and having reliably self- hold capacity. Suitable to control the 90° rotay buttefly valve,ball valve,cock valve,etc when in the underground conduit laying.

image.png

技术参数

型号/ Model

额定扭矩/Torque(N.m)

速比

Ratio

输入扭矩/Input(N.m)

重量/WT(kg)

备注/Remarks

3DD-15/17

170

203:1

9

17


3DD-15/75

750

245:1

30

21


3DD-15/120

1200

280:1

42

23


3DD-30/250

2500

384:1

43

41


3DD-30/300

3000

352:1

57

57


3DD-30/400

4000

416:1

64

65


3DD-60/800

8000

754:1

71

88



外形尺寸表

型号/ Model

A

B

C

D

E

K

H

F

F1

E1

Q

3DD-15/17

50

111

96

193

60

47

86

210

38

78

130

3DD-15/75

50

121

106

224

70.5

47

86

210

38

98

150

3DD-15/120

50

121

106

241

78

47

86

210

40

108

170

3DD-30/250

65

160

135

283

90

63

105

279

50

123

200

3DD-30/300

65

185

160

320

110

63

123

279

57

140

250

3DD-30/400

65

185

160

355

125

63

129

279

63

160

278

3DD-60/800

69

218

160

420

160

78

132

277

66

170

330

连接尺寸表

型号/ Model

适用蝶阀口径/Available Opening of butterfly valve

d

b

t

D3

h

D2

D1

n-d1

公制/ Metric system

英制/ British system

3DD-15/17

50-80

2-3

12.7

3

15.5

-

-

57.15

92

4-M6

100

4

15.9

5

20.5

-

-

69.85

92

4-M8

125-150

5-6

19.05

5

23.65

-

-

69.85

92

4-M8

3DD-15/75

200

8

22.2

5

26.8

-

-

88.9

125

4-M12

250

10

28.6

8

35.2

-

-

3DD-15/120

300

12

31.8

8

38.4

-

-

108

140

4-M12

350

14

31.8

8

38.4

-

-

3DD-30/250

400

16

33.3

10

39.9

-

-

158.75

200

4-M18

450

18

38.1

10

44.7

-

-

3DD-30/300

500

20

41.3

10

47.9

-

-

158.75

200

4-M18

3DD-30/400

600

24

50.8

16

59.4

-

-

215.9

278

4-M18

3DD-60/800

700

28

55

16

63.6

-

-

254

300

8-M16

800

32

-

-

产品简介

本产品采用蜗轮蜗杆传动副,体积小、重量轻、输出扭矩大、结构合理、操作方便,具有可靠的自锁性。适用于90°回转的蝶阀、球阀、旋塞阀、调节阀等阀[ ]在地下铺设管道时的控制。

This product worm gear-worm drive set is used.The product is characterized by small size,light weight,large output torque,rational structure,easy to operate and having reliably self- hold capacity. Suitable to control the 90° rotay buttefly valve,ball valve,cock valve,etc when in the underground conduit laying.

image.png

技术参数

型号/ Model

额定扭矩/Torque(N.m)

速比

Ratio

输入扭矩/Input(N.m)

重量/WT(kg)

备注/Remarks

3DD-15/17

170

203:1

9

17


3DD-15/75

750

245:1

30

21


3DD-15/120

1200

280:1

42

23


3DD-30/250

2500

384:1

43

41


3DD-30/300

3000

352:1

57

57


3DD-30/400

4000

416:1

64

65


3DD-60/800

8000

754:1

71

88



外形尺寸表

型号/ Model

A

B

C

D

E

K

H

F

F1

E1

Q

3DD-15/17

50

111

96

193

60

47

86

210

38

78

130

3DD-15/75

50

121

106

224

70.5

47

86

210

38

98

150

3DD-15/120

50

121

106

241

78

47

86

210

40

108

170

3DD-30/250

65

160

135

283

90

63

105

279

50

123

200

3DD-30/300

65

185

160

320

110

63

123

279

57

140

250

3DD-30/400

65

185

160

355

125

63

129

279

63

160

278

3DD-60/800

69

218

160

420

160

78

132

277

66

170

330

连接尺寸表

型号/ Model

适用蝶阀口径/Available Opening of butterfly valve

d

b

t

D3

h

D2

D1

n-d1

公制/ Metric system

英制/ British system

3DD-15/17

50-80

2-3

12.7

3

15.5

-

-

57.15

92

4-M6

100

4

15.9

5

20.5

-

-

69.85

92

4-M8

125-150

5-6

19.05

5

23.65

-

-

69.85

92

4-M8

3DD-15/75

200

8

22.2

5

26.8

-

-

88.9

125

4-M12

250

10

28.6

8

35.2

-

-

3DD-15/120

300

12

31.8

8

38.4

-

-

108

140

4-M12

350

14

31.8

8

38.4

-

-

3DD-30/250

400

16

33.3

10

39.9

-

-

158.75

200

4-M18

450

18

38.1

10

44.7

-

-

3DD-30/300

500

20

41.3

10

47.9

-

-

158.75

200

4-M18

3DD-30/400

600

24

50.8

16

59.4

-

-

215.9

278

4-M18

3DD-60/800

700

28

55

16

63.6

-

-

254

300

8-M16

800

32

-

-

db真人旗舰官方平台

河北省宁晋县宁高路6号

0319-5804848 / 0319-5803466

genghz@126.com

0319-5806391

关注我们

扫一扫db真人旗舰官方平台

版权所有:河北民主机械有限公司 备案号:冀ICP备21987396号
db真人旗舰