PRODUCT CENTER
PRODUCT CENTER
PRODUCT CENTER
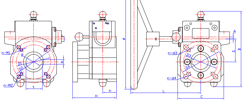
产品与气动装置联合使用,用于90°开启的蝶阀、球阀等阀门。设计合理,式样新颖,调高了防水性能。提起限位销,旋转偏心装置90°,限位销自动限位,实现气动;反之,实现手动。产品系列化,输出转矩与气动装置、各种阀门匹配。
The product is used in conjunction with a pneumatic device for valves such as butterfly valves and ball valves that open at 90 °. The design is reasonable, the style is novel, and the waterproof performance is improved. Pull the limit pin, rotate the eccentric device 90 °, the limit pin automatically limits to achieve pneumatic; otherwise, it realizes manual. Product series, output torque is matched with pneumatic devices and various valves.

型号/Model | 速比/Ratio | 输出扭矩(Nm)Output torque | 输入扭矩(Nm)Input torque | 手轮直径Handwheel Dia | 重量(Kg)Weight |
MLH350 | 44:1 | 350 | 32 | 200 | 6.8 |
MLH700 | 52:1 | 700 | 50 | 300 | 11.7 |
MLH1600 | 42:1 | 1600 | 130 | 400 | 21.1 |
| MLH3000 | 72:1 | 3000 | 155 | 600 | 53.2 |
MLH5000 | 270:1 | 5000 | 95 | 400 | 60 |
型号/Model | d | b | t | D1 | n-M1 | D2 | n-M2 | D3 | n-d3 | D4 | n-d4 | A | B | C | E | L | φ | H | h |
MLH350 | 32 | 10 | 35.3 | 70 | 4-M8 | 102 | 4-M10 | 70 | 4-φ9 | / | / | 5 | 182 | 114 | 52 | 180 | 200 | 122 | 34 |
MLH700 | 45 | 14 | 48.8 | 102 | 4-M10 | 125 | 4-M12 | 102 | 4-φ11 | 125 | 4-φ14 | 6 | 217 | 137 | 69 | 208 | 300 | 131 | 41 |
MLH1600 | 65 | 18 | 69.4 | 125 | 4-M12 | / | / | 125 | 4-φ14 | / | / | 9 | 270 | 180 | 84 | 295 | 400 | 157 | 48 |
/ | / | 140 | 4-M16 | / | / | 140 | 4-φ18 | ||||||||||||
MLH3000 | 100 | 28 | 106.4 | 165 | 4-M20 | 254 | 8-M16 | 165 | 4-φ22 | 254 | 8-φ18 | 10 | 381 | 290 | 133 | 383 | 600 | 205 | 60 |
| MLH5000 | 100 | 28 | 106.4 | 165 | 4-M20 | 254 | 8-M16 | 165 | 4-φ22 | 254 | 8-φ18 | 10 | 381 | 290 | 133 | 427 | 400 | 205 | 60 |
产品与气动装置联合使用,用于90°开启的蝶阀、球阀等阀门。设计合理,式样新颖,调高了防水性能。提起限位销,旋转偏心装置90°,限位销自动限位,实现气动;反之,实现手动。产品系列化,输出转矩与气动装置、各种阀门匹配。
The product is used in conjunction with a pneumatic device for valves such as butterfly valves and ball valves that open at 90 °. The design is reasonable, the style is novel, and the waterproof performance is improved. Pull the limit pin, rotate the eccentric device 90 °, the limit pin automatically limits to achieve pneumatic; otherwise, it realizes manual. Product series, output torque is matched with pneumatic devices and various valves.

型号/Model | 速比/Ratio | 输出扭矩(Nm)Output torque | 输入扭矩(Nm)Input torque | 手轮直径Handwheel Dia | 重量(Kg)Weight |
MLH350 | 44:1 | 350 | 32 | 200 | 6.8 |
MLH700 | 52:1 | 700 | 50 | 300 | 11.7 |
MLH1600 | 42:1 | 1600 | 130 | 400 | 21.1 |
| MLH3000 | 72:1 | 3000 | 155 | 600 | 53.2 |
MLH5000 | 270:1 | 5000 | 95 | 400 | 60 |
型号/Model | d | b | t | D1 | n-M1 | D2 | n-M2 | D3 | n-d3 | D4 | n-d4 | A | B | C | E | L | φ | H | h |
MLH350 | 32 | 10 | 35.3 | 70 | 4-M8 | 102 | 4-M10 | 70 | 4-φ9 | / | / | 5 | 182 | 114 | 52 | 180 | 200 | 122 | 34 |
MLH700 | 45 | 14 | 48.8 | 102 | 4-M10 | 125 | 4-M12 | 102 | 4-φ11 | 125 | 4-φ14 | 6 | 217 | 137 | 69 | 208 | 300 | 131 | 41 |
MLH1600 | 65 | 18 | 69.4 | 125 | 4-M12 | / | / | 125 | 4-φ14 | / | / | 9 | 270 | 180 | 84 | 295 | 400 | 157 | 48 |
/ | / | 140 | 4-M16 | / | / | 140 | 4-φ18 | ||||||||||||
MLH3000 | 100 | 28 | 106.4 | 165 | 4-M20 | 254 | 8-M16 | 165 | 4-φ22 | 254 | 8-φ18 | 10 | 381 | 290 | 133 | 383 | 600 | 205 | 60 |
| MLH5000 | 100 | 28 | 106.4 | 165 | 4-M20 | 254 | 8-M16 | 165 | 4-φ22 | 254 | 8-φ18 | 10 | 381 | 290 | 133 | 427 | 400 | 205 | 60 |
产品与气动装置联合使用,用于90°开启的蝶阀、球阀等阀门。设计合理,式样新颖,调高了防水性能。提起限位销,旋转偏心装置90°,限位销自动限位,实现气动;反之,实现手动。产品系列化,输出转矩与气动装置、各种阀门匹配。
The product is used in conjunction with a pneumatic device for valves such as butterfly valves and ball valves that open at 90 °. The design is reasonable, the style is novel, and the waterproof performance is improved. Pull the limit pin, rotate the eccentric device 90 °, the limit pin automatically limits to achieve pneumatic; otherwise, it realizes manual. Product series, output torque is matched with pneumatic devices and various valves.

型号/Model | 速比/Ratio | 输出扭矩(Nm)Output torque | 输入扭矩(Nm)Input torque | 手轮直径Handwheel Dia | 重量(Kg)Weight |
MLH350 | 44:1 | 350 | 32 | 200 | 6.8 |
MLH700 | 52:1 | 700 | 50 | 300 | 11.7 |
MLH1600 | 42:1 | 1600 | 130 | 400 | 21.1 |
| MLH3000 | 72:1 | 3000 | 155 | 600 | 53.2 |
MLH5000 | 270:1 | 5000 | 95 | 400 | 60 |
型号/Model | d | b | t | D1 | n-M1 | D2 | n-M2 | D3 | n-d3 | D4 | n-d4 | A | B | C | E | L | φ | H | h |
MLH350 | 32 | 10 | 35.3 | 70 | 4-M8 | 102 | 4-M10 | 70 | 4-φ9 | / | / | 5 | 182 | 114 | 52 | 180 | 200 | 122 | 34 |
MLH700 | 45 | 14 | 48.8 | 102 | 4-M10 | 125 | 4-M12 | 102 | 4-φ11 | 125 | 4-φ14 | 6 | 217 | 137 | 69 | 208 | 300 | 131 | 41 |
MLH1600 | 65 | 18 | 69.4 | 125 | 4-M12 | / | / | 125 | 4-φ14 | / | / | 9 | 270 | 180 | 84 | 295 | 400 | 157 | 48 |
/ | / | 140 | 4-M16 | / | / | 140 | 4-φ18 | ||||||||||||
MLH3000 | 100 | 28 | 106.4 | 165 | 4-M20 | 254 | 8-M16 | 165 | 4-φ22 | 254 | 8-φ18 | 10 | 381 | 290 | 133 | 383 | 600 | 205 | 60 |
| MLH5000 | 100 | 28 | 106.4 | 165 | 4-M20 | 254 | 8-M16 | 165 | 4-φ22 | 254 | 8-φ18 | 10 | 381 | 290 | 133 | 427 | 400 | 205 | 60 |
PRODUCT CENTER