PRODUCT CENTER
PRODUCT CENTER
PRODUCT CENTER
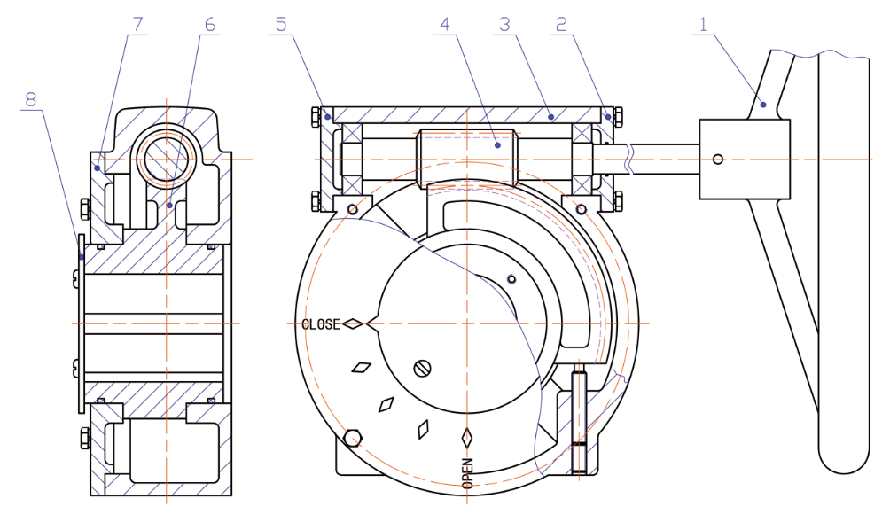
本产品采用蜗轮蜗杆传动副,在蜗杆两端安装了轴承,机械效率高,体积小、输出扭矩大,结构简单,操作方便,具有可靠的自锁性。适用于旋转90°开启的蝶阀、球阀、旋塞阀等阀[ ]的控制。
The worm gear-worm drive set is used in the product. Strong in output for installing bearing at the both end of the worm. The product is characterized by small size, large output torque,rational structure, easy to operate and having reliably self-hold capacity, suitable to control the 90° rotay buttefly valve, cock valve, etc.


序号 Item | 零件名称/Description | 数量/Qty | 普通材质 Material | 可选材质 Optional Material |
1 | 手轮/Hand wheel | 1 | HT200 | Q235A |
2 | 右端盖/Right end cover | 1 | HT200 | QT450 |
3 | 箱体/Housing | 1 | HT200 | QT450 |
4 | 蜗杆/Worm | 1 | 45# | |
5 | 左端盖/Left end cover | 1 | HT200 | QT450 |
6 | 蜗轮/Worm Gear | 1 | QT450 | |
7 | 箱盖/Cover | 1 | HT200 | QT450 |
8 | 指示盘/Indicator | 1 | Q235A |
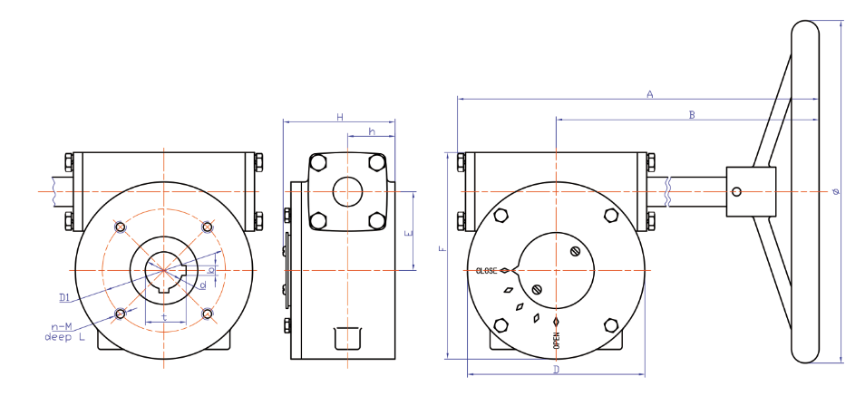
型号/ Model | 速比/ Ratio | 最大行程Maximum Travel | 限位调整 Limit Adjust | 额定输出扭矩(Nm) Rating output | 额定输入扭矩(Nm)Rating input |
MGJ22 | 22:1 | 90° | ±5° | 600 | 90 |
MGJ30 | 30:1 | 90° | ±5° | 1000 | 110 |
MGJ50 | 50:1 | 90° | ±5° | 1400 | 105 |
MGJ80 | 80:1 | 90° | ±5° | 2500 | 125 |
MGJ70 | 70:1 | 90° | ±5° | 4500 | 240 |
型号/ Model | d | d max | b | t | D | D1 | n-M×L | A | B | E | F | H | h | Φ | 重量(Kg) weight |
MGJ22 | 15.9 | 20 | 5 | 18.2 | 100 | 70 | 4-M8×12 | 225 | 164 | 42.5 | 143 | 83 | 39 | 200 | 7.1 |
19.05 | 5 | 21.35 | |||||||||||||
MGJ30 | 22.2 | 30 | 5 | 24.5 | 160 | 102 | 4-M10×15 | 345 | 254 | 63 | 195 | 90 | 37.5 | 300 | 13.1 |
28.6 | 8 | 31.9 | |||||||||||||
MGJ50 | 31.8 | 45 | 8 | 35.1 | 180 | 125 | 4-M12×18 | 346 | 254 | 80 | 220 | 101 | 39 | 300 | 17.7 |
MGJ80 | 33.3 | 54 | 10 | 36.6 | 255 | 140 | 4-M16×25 | 467 | 342 | 120 | 288 | 116 | 54 | 400 | 38.3 |
38.1 | 41.5 | 165 | 4-M20×25 | ||||||||||||
MGJ70 | 41.3 | 84 | 10 | 44.6 | 260 | 165 | 4-M20×25 | 558 | 428 | 126 | 304 | 120 | 52 | 700 | 45 |
50.8 | 16 | 55.1 |
型号/ Model | d | d max | b | t | D | D1 | n-M×L | A | B | E | F | H | h | Φ | 重量(Kg) weight |
MGJ22 | 15.9 | 20 | 5 | 18.2 | 100 | 70 | 4-M8×12 | 225 | 164 | 42.5 | 143 | 83 | 39 | 200 | 7.1 |
19.05 | 5 | 21.35 | |||||||||||||
MGJ30 | 22.2 | 30 | 5 | 24.5 | 160 | 102 | 4-M10×15 | 345 | 254 | 63 | 195 | 90 | 37.5 | 300 | 13.1 |
28.6 | 8 | 31.9 | |||||||||||||
MGJ50 | 31.8 | 45 | 8 | 35.1 | 180 | 125 | 4-M12×18 | 346 | 254 | 80 | 220 | 101 | 39 | 300 | 17.7 |
MGJ80 | 33.3 | 54 | 10 | 36.6 | 255 | 140 | 4-M16×25 | 467 | 342 | 120 | 288 | 116 | 54 | 400 | 38.3 |
38.1 | 41.5 | 165 | 4-M20×25 | ||||||||||||
MGJ70 | 41.3 | 84 | 10 | 44.6 | 260 | 165 | 4-M20×25 | 558 | 428 | 126 | 304 | 120 | 52 | 700 | 45 |
50.8 | 16 | 55.1 |
本产品采用蜗轮蜗杆传动副,在蜗杆两端安装了轴承,机械效率高,体积小、输出扭矩大,结构简单,操作方便,具有可靠的自锁性。适用于旋转90°开启的蝶阀、球阀、旋塞阀等阀[ ]的控制。
The worm gear-worm drive set is used in the product. Strong in output for installing bearing at the both end of the worm. The product is characterized by small size, large output torque,rational structure, easy to operate and having reliably self-hold capacity, suitable to control the 90° rotay buttefly valve, cock valve, etc.


序号 Item | 零件名称/Description | 数量/Qty | 普通材质 Material | 可选材质 Optional Material |
1 | 手轮/Hand wheel | 1 | HT200 | Q235A |
2 | 右端盖/Right end cover | 1 | HT200 | QT450 |
3 | 箱体/Housing | 1 | HT200 | QT450 |
4 | 蜗杆/Worm | 1 | 45# | |
5 | 左端盖/Left end cover | 1 | HT200 | QT450 |
6 | 蜗轮/Worm Gear | 1 | QT450 | |
7 | 箱盖/Cover | 1 | HT200 | QT450 |
8 | 指示盘/Indicator | 1 | Q235A |
型号/ Model | 速比/ Ratio | 最大行程Maximum Travel | 限位调整 Limit Adjust | 额定输出扭矩(Nm) Rating output | 额定输入扭矩(Nm)Rating input |
MGJ22 | 22:1 | 90° | ±5° | 600 | 90 |
MGJ30 | 30:1 | 90° | ±5° | 1000 | 110 |
MGJ50 | 50:1 | 90° | ±5° | 1400 | 105 |
MGJ80 | 80:1 | 90° | ±5° | 2500 | 125 |
MGJ70 | 70:1 | 90° | ±5° | 4500 | 240 |
型号/ Model | d | d max | b | t | D | D1 | n-M×L | A | B | E | F | H | h | Φ | 重量(Kg) weight |
MGJ22 | 15.9 | 20 | 5 | 18.2 | 100 | 70 | 4-M8×12 | 225 | 164 | 42.5 | 143 | 83 | 39 | 200 | 7.1 |
19.05 | 5 | 21.35 | |||||||||||||
MGJ30 | 22.2 | 30 | 5 | 24.5 | 160 | 102 | 4-M10×15 | 345 | 254 | 63 | 195 | 90 | 37.5 | 300 | 13.1 |
28.6 | 8 | 31.9 | |||||||||||||
MGJ50 | 31.8 | 45 | 8 | 35.1 | 180 | 125 | 4-M12×18 | 346 | 254 | 80 | 220 | 101 | 39 | 300 | 17.7 |
MGJ80 | 33.3 | 54 | 10 | 36.6 | 255 | 140 | 4-M16×25 | 467 | 342 | 120 | 288 | 116 | 54 | 400 | 38.3 |
38.1 | 41.5 | 165 | 4-M20×25 | ||||||||||||
MGJ70 | 41.3 | 84 | 10 | 44.6 | 260 | 165 | 4-M20×25 | 558 | 428 | 126 | 304 | 120 | 52 | 700 | 45 |
50.8 | 16 | 55.1 |
型号/ Model | d | d max | b | t | D | D1 | n-M×L | A | B | E | F | H | h | Φ | 重量(Kg) weight |
MGJ22 | 15.9 | 20 | 5 | 18.2 | 100 | 70 | 4-M8×12 | 225 | 164 | 42.5 | 143 | 83 | 39 | 200 | 7.1 |
19.05 | 5 | 21.35 | |||||||||||||
MGJ30 | 22.2 | 30 | 5 | 24.5 | 160 | 102 | 4-M10×15 | 345 | 254 | 63 | 195 | 90 | 37.5 | 300 | 13.1 |
28.6 | 8 | 31.9 | |||||||||||||
MGJ50 | 31.8 | 45 | 8 | 35.1 | 180 | 125 | 4-M12×18 | 346 | 254 | 80 | 220 | 101 | 39 | 300 | 17.7 |
MGJ80 | 33.3 | 54 | 10 | 36.6 | 255 | 140 | 4-M16×25 | 467 | 342 | 120 | 288 | 116 | 54 | 400 | 38.3 |
38.1 | 41.5 | 165 | 4-M20×25 | ||||||||||||
MGJ70 | 41.3 | 84 | 10 | 44.6 | 260 | 165 | 4-M20×25 | 558 | 428 | 126 | 304 | 120 | 52 | 700 | 45 |
50.8 | 16 | 55.1 |
本产品采用蜗轮蜗杆传动副,在蜗杆两端安装了轴承,机械效率高,体积小、输出扭矩大,结构简单,操作方便,具有可靠的自锁性。适用于旋转90°开启的蝶阀、球阀、旋塞阀等阀[ ]的控制。
The worm gear-worm drive set is used in the product. Strong in output for installing bearing at the both end of the worm. The product is characterized by small size, large output torque,rational structure, easy to operate and having reliably self-hold capacity, suitable to control the 90° rotay buttefly valve, cock valve, etc.


序号 Item | 零件名称/Description | 数量/Qty | 普通材质 Material | 可选材质 Optional Material |
1 | 手轮/Hand wheel | 1 | HT200 | Q235A |
2 | 右端盖/Right end cover | 1 | HT200 | QT450 |
3 | 箱体/Housing | 1 | HT200 | QT450 |
4 | 蜗杆/Worm | 1 | 45# | |
5 | 左端盖/Left end cover | 1 | HT200 | QT450 |
6 | 蜗轮/Worm Gear | 1 | QT450 | |
7 | 箱盖/Cover | 1 | HT200 | QT450 |
8 | 指示盘/Indicator | 1 | Q235A |
型号/ Model | 速比/ Ratio | 最大行程Maximum Travel | 限位调整 Limit Adjust | 额定输出扭矩(Nm) Rating output | 额定输入扭矩(Nm)Rating input |
MGJ22 | 22:1 | 90° | ±5° | 600 | 90 |
MGJ30 | 30:1 | 90° | ±5° | 1000 | 110 |
MGJ50 | 50:1 | 90° | ±5° | 1400 | 105 |
MGJ80 | 80:1 | 90° | ±5° | 2500 | 125 |
MGJ70 | 70:1 | 90° | ±5° | 4500 | 240 |
型号/ Model | d | d max | b | t | D | D1 | n-M×L | A | B | E | F | H | h | Φ | 重量(Kg) weight |
MGJ22 | 15.9 | 20 | 5 | 18.2 | 100 | 70 | 4-M8×12 | 225 | 164 | 42.5 | 143 | 83 | 39 | 200 | 7.1 |
19.05 | 5 | 21.35 | |||||||||||||
MGJ30 | 22.2 | 30 | 5 | 24.5 | 160 | 102 | 4-M10×15 | 345 | 254 | 63 | 195 | 90 | 37.5 | 300 | 13.1 |
28.6 | 8 | 31.9 | |||||||||||||
MGJ50 | 31.8 | 45 | 8 | 35.1 | 180 | 125 | 4-M12×18 | 346 | 254 | 80 | 220 | 101 | 39 | 300 | 17.7 |
MGJ80 | 33.3 | 54 | 10 | 36.6 | 255 | 140 | 4-M16×25 | 467 | 342 | 120 | 288 | 116 | 54 | 400 | 38.3 |
38.1 | 41.5 | 165 | 4-M20×25 | ||||||||||||
MGJ70 | 41.3 | 84 | 10 | 44.6 | 260 | 165 | 4-M20×25 | 558 | 428 | 126 | 304 | 120 | 52 | 700 | 45 |
50.8 | 16 | 55.1 |
型号/ Model | d | d max | b | t | D | D1 | n-M×L | A | B | E | F | H | h | Φ | 重量(Kg) weight |
MGJ22 | 15.9 | 20 | 5 | 18.2 | 100 | 70 | 4-M8×12 | 225 | 164 | 42.5 | 143 | 83 | 39 | 200 | 7.1 |
19.05 | 5 | 21.35 | |||||||||||||
MGJ30 | 22.2 | 30 | 5 | 24.5 | 160 | 102 | 4-M10×15 | 345 | 254 | 63 | 195 | 90 | 37.5 | 300 | 13.1 |
28.6 | 8 | 31.9 | |||||||||||||
MGJ50 | 31.8 | 45 | 8 | 35.1 | 180 | 125 | 4-M12×18 | 346 | 254 | 80 | 220 | 101 | 39 | 300 | 17.7 |
MGJ80 | 33.3 | 54 | 10 | 36.6 | 255 | 140 | 4-M16×25 | 467 | 342 | 120 | 288 | 116 | 54 | 400 | 38.3 |
38.1 | 41.5 | 165 | 4-M20×25 | ||||||||||||
MGJ70 | 41.3 | 84 | 10 | 44.6 | 260 | 165 | 4-M20×25 | 558 | 428 | 126 | 304 | 120 | 52 | 700 | 45 |
50.8 | 16 | 55.1 |
PRODUCT CENTER