PRODUCT CENTER
PRODUCT CENTER
PRODUCT CENTER
 
         
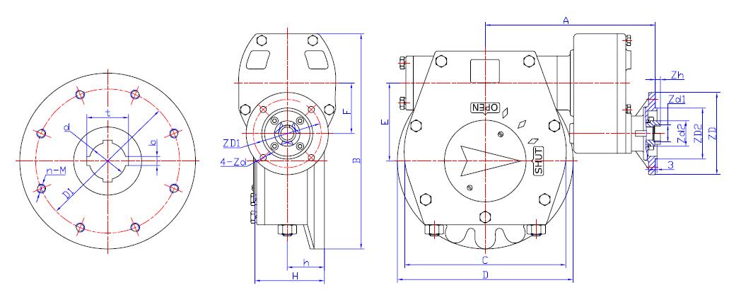
            本产品是为配电动装置而设计的,可以使电动头规格减小。采用蜗轮蜗杆传动副,结构合理、组装方便,具有可靠的自锁性。适用于90°回转的蝶阀、球阀、旋塞阀等阀门用电动控制时选用。
This product is designed to be equipped with electric devices, which can reduce the size of electric actuators. It adopts worm gear drive pair, reasonable structure, convenient assembly, and reliable self-locking. Suitable for electric control of 90°rotating butterfly valves, ball valves, cock valves and other valves.

| 型号Model | 额定扭矩Torque Nm | 速比Ratio | 输入扭矩Input torque Nm | 最大内孔Max hole | 允许法兰 Flange min/max | 建议电装扭矩Nm Torque of electric actuators | 
| M36/S5-Z15 | 8000 | 210:1 | 180 | 85 | F16、F25 | 150 | 
| M50/S5-Z15 | 11000 | 250:1 | 180 | 110 | F25、F30 | 150 | 
| M50/D12-Z15 | 16000 | 612:1 | 190 | 110 | F25、F30 | 150 | 
| M60/D12-Z20 | 24000 | 720:1 | 220 | 160 | F30、F35 | 200 | 
| M65/D12-Z20 | 35000 | 882:1 | 230 | 160 | F30、F35 | 200 | 
| M70/D18-Z20 | 50000 | 1242:1 | 200 | 160 | F30、F35、F40 | 200 | 
| M75/D18-Z20 | 70000 | 1430:1 | 240 | 180 | F35、F40 | 200 | 
| M80/D21-Z30 | 100000 | 1805:1 | 320 | 185 | F35、F40、F48 | 300 | 
| M90/D28-Z30 | 160000 | 2430:1 | 320 | 185 | F48、F60 | 300 | 
| 型号 Model | d | b | t | D1 | n-M | A | B | C | D | E | F | H | h | 
| M36/S5-Z15 | 65 | 16 | 73.6 | 254 | 8-M16 | 300 | 380 | 286 | 310 | 138 | 89 | 130 | 73 | 
| M50/S5-Z15 | 75 | 20 | 84.8 | 254 | 8-M16 | 331 | 446 | 355 | 355 | 181 | 89 | 160 | 80 | 
| M50/D12-Z15 | 85 | 22 | 95.8 | 254 | 8-M16 | 378 | 440 | 355 | 355 | 181 | 151 | 160 | 80 | 
| M60/D12-Z20 | 120 | 32 | 134.8 | 298 | 8-M20 | 430 | 528 | 463 | 415 | 237 | 151 | 165 | 82 | 
| M65/D12-Z20 | 120 | 32 | 134.8 | 356 | 8-M30 | 462 | 572 | 558 | 415 | 282 | 151 | 172 | 84 | 
| M70/D18-Z20 | 120 | 32 | 134.8 | 356 | 8-M30 | 497 | 657 | 610 | 475 | 309 | 192 | 225 | 107 | 
| M75/D18-Z20 | 150 | 36 | 166.8 | 406 | 8-M36 | 517 | 697 | 692 | 475 | 349 | 192 | 231 | 110 | 
| M80/D21-Z30 | 150 | 36 | 166.8 | 406 | 8-M36 | 638 | 826 | 760 | 560 | 391 | 264 | 270 | 130 | 
| M90/D28-Z30 | 180 | 45 | 200.8 | 483 | 12-M36 | 721 | 1003 | 968 | 686 | 491 | 298 | 300 | 138 | 
| 型号 Model | ZD | ZD1 | ZD2 | Zh | Zd1 | Zd2 | 4-Zd | 
| M36/S5-Z15 | 145 | 120 | 90 | 9 | 30 | 45 | 4-φ11 | 
| M50/S5-Z15 | 145 | 120 | 90 | 9 | 30 | 45 | 4-φ11 | 
| M50/D12-Z15 | 145 | 120 | 90 | 9 | 30 | 45 | 4-φ11 | 
| M60/D12-Z20 | 185 | 160 | 125 | 11 | 42 | 58 | 4-φ13 | 
| M65/D12-Z20 | 185 | 160 | 125 | 11 | 42 | 58 | 4-φ13 | 
| M70/D18-Z20 | 185 | 160 | 125 | 11 | 42 | 58 | 4-φ13 | 
| M75/D18-Z20 | 185 | 160 | 125 | 11 | 42 | 58 | 4-φ13 | 
| M80/D21-Z30 | 185 | 160 | 125 | 11 | 42 | 58 | 4-φ13 | 
| M90/D28-Z30 | 185 | 160 | 125 | 11 | 42 | 58 | 4-φ13 | 
 
            本产品是为配电动装置而设计的,可以使电动头规格减小。采用蜗轮蜗杆传动副,结构合理、组装方便,具有可靠的自锁性。适用于90°回转的蝶阀、球阀、旋塞阀等阀门用电动控制时选用。
This product is designed to be equipped with electric devices, which can reduce the size of electric actuators. It adopts worm gear drive pair, reasonable structure, convenient assembly, and reliable self-locking. Suitable for electric control of 90°rotating butterfly valves, ball valves, cock valves and other valves.

| 型号Model | 额定扭矩Torque Nm | 速比Ratio | 输入扭矩Input torque Nm | 最大内孔Max hole | 允许法兰 Flange min/max | 建议电装扭矩Nm Torque of electric actuators | 
| M36/S5-Z15 | 8000 | 210:1 | 180 | 85 | F16、F25 | 150 | 
| M50/S5-Z15 | 11000 | 250:1 | 180 | 110 | F25、F30 | 150 | 
| M50/D12-Z15 | 16000 | 612:1 | 190 | 110 | F25、F30 | 150 | 
| M60/D12-Z20 | 24000 | 720:1 | 220 | 160 | F30、F35 | 200 | 
| M65/D12-Z20 | 35000 | 882:1 | 230 | 160 | F30、F35 | 200 | 
| M70/D18-Z20 | 50000 | 1242:1 | 200 | 160 | F30、F35、F40 | 200 | 
| M75/D18-Z20 | 70000 | 1430:1 | 240 | 180 | F35、F40 | 200 | 
| M80/D21-Z30 | 100000 | 1805:1 | 320 | 185 | F35、F40、F48 | 300 | 
| M90/D28-Z30 | 160000 | 2430:1 | 320 | 185 | F48、F60 | 300 | 
| 型号 Model | d | b | t | D1 | n-M | A | B | C | D | E | F | H | h | 
| M36/S5-Z15 | 65 | 16 | 73.6 | 254 | 8-M16 | 300 | 380 | 286 | 310 | 138 | 89 | 130 | 73 | 
| M50/S5-Z15 | 75 | 20 | 84.8 | 254 | 8-M16 | 331 | 446 | 355 | 355 | 181 | 89 | 160 | 80 | 
| M50/D12-Z15 | 85 | 22 | 95.8 | 254 | 8-M16 | 378 | 440 | 355 | 355 | 181 | 151 | 160 | 80 | 
| M60/D12-Z20 | 120 | 32 | 134.8 | 298 | 8-M20 | 430 | 528 | 463 | 415 | 237 | 151 | 165 | 82 | 
| M65/D12-Z20 | 120 | 32 | 134.8 | 356 | 8-M30 | 462 | 572 | 558 | 415 | 282 | 151 | 172 | 84 | 
| M70/D18-Z20 | 120 | 32 | 134.8 | 356 | 8-M30 | 497 | 657 | 610 | 475 | 309 | 192 | 225 | 107 | 
| M75/D18-Z20 | 150 | 36 | 166.8 | 406 | 8-M36 | 517 | 697 | 692 | 475 | 349 | 192 | 231 | 110 | 
| M80/D21-Z30 | 150 | 36 | 166.8 | 406 | 8-M36 | 638 | 826 | 760 | 560 | 391 | 264 | 270 | 130 | 
| M90/D28-Z30 | 180 | 45 | 200.8 | 483 | 12-M36 | 721 | 1003 | 968 | 686 | 491 | 298 | 300 | 138 | 
| 型号 Model | ZD | ZD1 | ZD2 | Zh | Zd1 | Zd2 | 4-Zd | 
| M36/S5-Z15 | 145 | 120 | 90 | 9 | 30 | 45 | 4-φ11 | 
| M50/S5-Z15 | 145 | 120 | 90 | 9 | 30 | 45 | 4-φ11 | 
| M50/D12-Z15 | 145 | 120 | 90 | 9 | 30 | 45 | 4-φ11 | 
| M60/D12-Z20 | 185 | 160 | 125 | 11 | 42 | 58 | 4-φ13 | 
| M65/D12-Z20 | 185 | 160 | 125 | 11 | 42 | 58 | 4-φ13 | 
| M70/D18-Z20 | 185 | 160 | 125 | 11 | 42 | 58 | 4-φ13 | 
| M75/D18-Z20 | 185 | 160 | 125 | 11 | 42 | 58 | 4-φ13 | 
| M80/D21-Z30 | 185 | 160 | 125 | 11 | 42 | 58 | 4-φ13 | 
| M90/D28-Z30 | 185 | 160 | 125 | 11 | 42 | 58 | 4-φ13 | 
本产品是为配电动装置而设计的,可以使电动头规格减小。采用蜗轮蜗杆传动副,结构合理、组装方便,具有可靠的自锁性。适用于90°回转的蝶阀、球阀、旋塞阀等阀门用电动控制时选用。
This product is designed to be equipped with electric devices, which can reduce the size of electric actuators. It adopts worm gear drive pair, reasonable structure, convenient assembly, and reliable self-locking. Suitable for electric control of 90°rotating butterfly valves, ball valves, cock valves and other valves.

| 型号Model | 额定扭矩Torque Nm | 速比Ratio | 输入扭矩Input torque Nm | 最大内孔Max hole | 允许法兰 Flange min/max | 建议电装扭矩Nm Torque of electric actuators | 
| M36/S5-Z15 | 8000 | 210:1 | 180 | 85 | F16、F25 | 150 | 
| M50/S5-Z15 | 11000 | 250:1 | 180 | 110 | F25、F30 | 150 | 
| M50/D12-Z15 | 16000 | 612:1 | 190 | 110 | F25、F30 | 150 | 
| M60/D12-Z20 | 24000 | 720:1 | 220 | 160 | F30、F35 | 200 | 
| M65/D12-Z20 | 35000 | 882:1 | 230 | 160 | F30、F35 | 200 | 
| M70/D18-Z20 | 50000 | 1242:1 | 200 | 160 | F30、F35、F40 | 200 | 
| M75/D18-Z20 | 70000 | 1430:1 | 240 | 180 | F35、F40 | 200 | 
| M80/D21-Z30 | 100000 | 1805:1 | 320 | 185 | F35、F40、F48 | 300 | 
| M90/D28-Z30 | 160000 | 2430:1 | 320 | 185 | F48、F60 | 300 | 
| 型号 Model | d | b | t | D1 | n-M | A | B | C | D | E | F | H | h | 
| M36/S5-Z15 | 65 | 16 | 73.6 | 254 | 8-M16 | 300 | 380 | 286 | 310 | 138 | 89 | 130 | 73 | 
| M50/S5-Z15 | 75 | 20 | 84.8 | 254 | 8-M16 | 331 | 446 | 355 | 355 | 181 | 89 | 160 | 80 | 
| M50/D12-Z15 | 85 | 22 | 95.8 | 254 | 8-M16 | 378 | 440 | 355 | 355 | 181 | 151 | 160 | 80 | 
| M60/D12-Z20 | 120 | 32 | 134.8 | 298 | 8-M20 | 430 | 528 | 463 | 415 | 237 | 151 | 165 | 82 | 
| M65/D12-Z20 | 120 | 32 | 134.8 | 356 | 8-M30 | 462 | 572 | 558 | 415 | 282 | 151 | 172 | 84 | 
| M70/D18-Z20 | 120 | 32 | 134.8 | 356 | 8-M30 | 497 | 657 | 610 | 475 | 309 | 192 | 225 | 107 | 
| M75/D18-Z20 | 150 | 36 | 166.8 | 406 | 8-M36 | 517 | 697 | 692 | 475 | 349 | 192 | 231 | 110 | 
| M80/D21-Z30 | 150 | 36 | 166.8 | 406 | 8-M36 | 638 | 826 | 760 | 560 | 391 | 264 | 270 | 130 | 
| M90/D28-Z30 | 180 | 45 | 200.8 | 483 | 12-M36 | 721 | 1003 | 968 | 686 | 491 | 298 | 300 | 138 | 
| 型号 Model | ZD | ZD1 | ZD2 | Zh | Zd1 | Zd2 | 4-Zd | 
| M36/S5-Z15 | 145 | 120 | 90 | 9 | 30 | 45 | 4-φ11 | 
| M50/S5-Z15 | 145 | 120 | 90 | 9 | 30 | 45 | 4-φ11 | 
| M50/D12-Z15 | 145 | 120 | 90 | 9 | 30 | 45 | 4-φ11 | 
| M60/D12-Z20 | 185 | 160 | 125 | 11 | 42 | 58 | 4-φ13 | 
| M65/D12-Z20 | 185 | 160 | 125 | 11 | 42 | 58 | 4-φ13 | 
| M70/D18-Z20 | 185 | 160 | 125 | 11 | 42 | 58 | 4-φ13 | 
| M75/D18-Z20 | 185 | 160 | 125 | 11 | 42 | 58 | 4-φ13 | 
| M80/D21-Z30 | 185 | 160 | 125 | 11 | 42 | 58 | 4-φ13 | 
| M90/D28-Z30 | 185 | 160 | 125 | 11 | 42 | 58 | 4-φ13 | 
PRODUCT CENTER
