PRODUCT CENTER
PRODUCT CENTER
PRODUCT CENTER
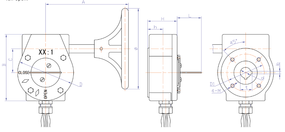
本产品按照3C认证要求,在普通手动装置的基础.上,增加了微动开关,可以给远程提供开关信号,指示阀门的开关状态,开关在阀门在接近全开时输出信号。
This product in accordance with the 3C certification requirements,It is based on ordinary actuator, increase the micro switch, can provide to remote switch signal,indicating the valve switch state, The switches output signal when the valve will full open.

型号/ Model | 额定扭矩 Torque (N.m) | 速比 Ratio | 适用蝶阀口径/Available Opening of butterfly valve | d | b | t | D1 | 4-M | A | B | C | D | Φ | H | h | L | |
公制/ Metric system | 英制/ British system | ||||||||||||||||
3D-15 | 170 | 24:1 | 50-80 | 2-3” | 12.7 | 3 | 14.1 | 70 | 4-M8 | 156 | 125 | 45 | 105 | 150 | 58 | 29 | 46 |
100 | 4” | 15.9 | 5 | 18.2 | |||||||||||||
125-150 | 5-6” | 19.05 | 5 | 21.35 | |||||||||||||
3D-50 | 750 | 30:1 | 200 | 8” | 22.2 | 5 | 24.5 | 102 | 4-M10 | 240 | 167 | 63 | 142 | 300 | 69 | 35 | 46 |
250 | 10” | 28.6 | 8 | 31.9 | |||||||||||||
3D-120 | 1200 | 50:1 | 300-350 | 12”-14” | 31.8 | 8 | 35.1 | 125 | 4-M12 | 229 | 190 | 78 | 156 | 300 | 73 | 38 | 47 |

电信号说明
1.开关参数:5A 250VAC
2.引出导线接线如上图所示:
3.阀门将要开启时,微动开关动作。
Electrical signal description
1.Switch parameters:5A 250VAC.
2.Wiring diagram is shown.
3.The valve will open, micro switch provide signal.
本产品按照3C认证要求,在普通手动装置的基础.上,增加了微动开关,可以给远程提供开关信号,指示阀门的开关状态,开关在阀门在接近全开时输出信号。
This product in accordance with the 3C certification requirements,It is based on ordinary actuator, increase the micro switch, can provide to remote switch signal,indicating the valve switch state, The switches output signal when the valve will full open.

型号/ Model | 额定扭矩 Torque (N.m) | 速比 Ratio | 适用蝶阀口径/Available Opening of butterfly valve | d | b | t | D1 | 4-M | A | B | C | D | Φ | H | h | L | |
公制/ Metric system | 英制/ British system | ||||||||||||||||
3D-15 | 170 | 24:1 | 50-80 | 2-3” | 12.7 | 3 | 14.1 | 70 | 4-M8 | 156 | 125 | 45 | 105 | 150 | 58 | 29 | 46 |
100 | 4” | 15.9 | 5 | 18.2 | |||||||||||||
125-150 | 5-6” | 19.05 | 5 | 21.35 | |||||||||||||
3D-50 | 750 | 30:1 | 200 | 8” | 22.2 | 5 | 24.5 | 102 | 4-M10 | 240 | 167 | 63 | 142 | 300 | 69 | 35 | 46 |
250 | 10” | 28.6 | 8 | 31.9 | |||||||||||||
3D-120 | 1200 | 50:1 | 300-350 | 12”-14” | 31.8 | 8 | 35.1 | 125 | 4-M12 | 229 | 190 | 78 | 156 | 300 | 73 | 38 | 47 |

电信号说明
1.开关参数:5A 250VAC
2.引出导线接线如上图所示:
3.阀门将要开启时,微动开关动作。
Electrical signal description
1.Switch parameters:5A 250VAC.
2.Wiring diagram is shown.
3.The valve will open, micro switch provide signal.
本产品按照3C认证要求,在普通手动装置的基础.上,增加了微动开关,可以给远程提供开关信号,指示阀门的开关状态,开关在阀门在接近全开时输出信号。
This product in accordance with the 3C certification requirements,It is based on ordinary actuator, increase the micro switch, can provide to remote switch signal,indicating the valve switch state, The switches output signal when the valve will full open.

型号/ Model | 额定扭矩 Torque (N.m) | 速比 Ratio | 适用蝶阀口径/Available Opening of butterfly valve | d | b | t | D1 | 4-M | A | B | C | D | Φ | H | h | L | |
公制/ Metric system | 英制/ British system | ||||||||||||||||
3D-15 | 170 | 24:1 | 50-80 | 2-3” | 12.7 | 3 | 14.1 | 70 | 4-M8 | 156 | 125 | 45 | 105 | 150 | 58 | 29 | 46 |
100 | 4” | 15.9 | 5 | 18.2 | |||||||||||||
125-150 | 5-6” | 19.05 | 5 | 21.35 | |||||||||||||
3D-50 | 750 | 30:1 | 200 | 8” | 22.2 | 5 | 24.5 | 102 | 4-M10 | 240 | 167 | 63 | 142 | 300 | 69 | 35 | 46 |
250 | 10” | 28.6 | 8 | 31.9 | |||||||||||||
3D-120 | 1200 | 50:1 | 300-350 | 12”-14” | 31.8 | 8 | 35.1 | 125 | 4-M12 | 229 | 190 | 78 | 156 | 300 | 73 | 38 | 47 |

电信号说明
1.开关参数:5A 250VAC
2.引出导线接线如上图所示:
3.阀门将要开启时,微动开关动作。
Electrical signal description
1.Switch parameters:5A 250VAC.
2.Wiring diagram is shown.
3.The valve will open, micro switch provide signal.
PRODUCT CENTER